1. DC Stepping Motor & Driver Oriental CRK564AP-PS25

  • Động cơ bước Oriental CRK564AP-PS25.

  • Số phase 5.

  • Kích thước khung Motor 60mm.

  • Độ phân giải 0.72/Step.

  • Loại trục Motor Trục đơn.

  • Driver sử dụng phải qua bộ phát xung.

  • Điện áp cung cấp 24VDC.

  • Loại hộp số PS.

  • Hệ số của hộp số 25.

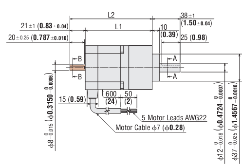
2.Kích thước

DC Stepping Motor & Driver Oriental CRK564AP-PS25

SKU: CRK564AP-PS25 Category: