1. DC Stepping Motor & Driver Oriental K523PAKP-PS7.2
-
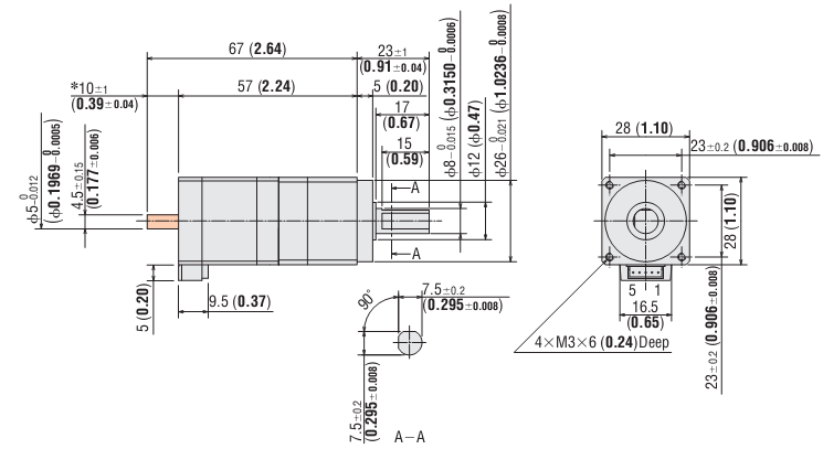
Động cơ bước Oriental K523PAKP-PS7.2.
-
Số phase 5.
-
Kích thước khung Motor 28mm.
-
Độ phân giải 0.72/Step.
-
Loại trục Motor Trục đơn.
-
Driver sử dụng không qua bộ phát xung.
-
Điện áp cung cấp 24VDC.
-
Loại hộp số PS.
-
Hệ số của hộp số 7.2.
2.Kích thước


