1.:PLC Allen-Bradley 1769-IQ16
Nguồn cho ngõ vào: 24V DC sink/source
-
Điện áp vận hành: 10…30V DC @ 30 °C (86 °F); 10…26.4V DC @ 60 °C (140 °F)
Có 16 ngõ vào số (8 points/group)
Độ trễ tín hiệu (ON, OFF): 8ms
Điện áp: Trạng thái OFF 5V DC, Trạng thái ON 10V DC
-
Power supply: 1769-PA2, 1769-PB2, 1769-PA4, 1769-PB4
-
Trở kháng ngõ vào: 3 kΩ
-
Kích thước (HxWxD):118 x 35 x 87 mm (4.65 x 1.38 x 3.43 in.)
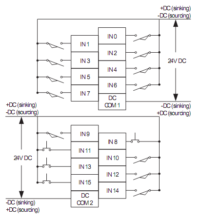
2.Sơ đồ nối dây:

- Chọn các mã sản phẩm khác của PLC Allen-Bradley

