1.: Basic Switches Honeywell V7-3A17D8-148Công tắc honeywell V7-3A17D8-148.Kích thước:15,9 mm H x 10,2 mm W x 28,8 mm L.Sealed: Không có.Dòng tải cho phép: 5 A.Loại tiếp điểm: SPDT.Cơ cấu tác động: Loại cần gạt thẳng.Chân cắm: Loại kết nối nhanh.Nhiệt độ hoạt động:-40 °C to 82 °C [-40 °F to 180 °F].Điện áp hoạt động: 250 Vac.Lực tác động: 8 gf max.Lực hồi về:1 gf min.Độ dịch chuyển:5,26 mm [0.207 in] min.Trọng lượng: 8 g [0.3 oz].2. Kích thước:Chọn các mã sản phẩm khác của Basic Switches Honeywell V7
1.: Basic Switches Honeywell V7-3A17D8-148
-
Công tắc honeywell V7-3A17D8-148.
-
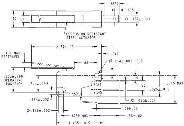
Kích thước:15,9 mm H x 10,2 mm W x 28,8 mm L.
-
Sealed: Không có.
-
Dòng tải cho phép: 5 A.
-
Loại tiếp điểm: SPDT.
-
Cơ cấu tác động: Loại cần gạt thẳng.
-
Chân cắm: Loại kết nối nhanh.
-
Nhiệt độ hoạt động:-40 °C to 82 °C [-40 °F to 180 °F].
-
Điện áp hoạt động: 250 Vac.
-
Lực tác động: 8 gf max.
-
Lực hồi về:1 gf min.
-
Độ dịch chuyển:5,26 mm [0.207 in] min.
-
Trọng lượng: 8 g [0.3 oz].
2. Kích thước:



