1.Mô tả Dải áp suất đo: ±20 inH2O. Áp suất tối đa cho phép: 5 psi. Điện áp cung cấp: 3.0 Vdc min., 12.0 Vdc typ., 16.0 Vdc max. Loại port: Loại có gai. Điện áp ngõ ra tại điểm không: 0 mV typ. Nhiệt độ hoạt động: -25 °C to 85 °C [-13 °F to 185 °F]. 2.Kích thước ==>Chọn các mã sản phẩm khác của Series DCXL-DS
1.Mô tả
-
Dải áp suất đo: ±20 inH2O.
-
Áp suất tối đa cho phép: 5 psi.
-
Điện áp cung cấp: 3.0 Vdc min., 12.0 Vdc typ., 16.0 Vdc max.
-
Loại port: Loại có gai.
-
Điện áp ngõ ra tại điểm không: 0 mV typ.
-
Nhiệt độ hoạt động: -25 °C to 85 °C [-13 °F to 185 °F].
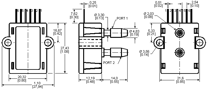
2.Kích thước

==>Chọn các mã sản phẩm khác của Series DCXL-DS

