1.: Cảm biến áp suất thấp Honeywell CPX15ALoại không cần bộ khuếch đại.Dải đo: 2.0 psia to 15.0 psiaÁp suất tối đa có thể tác động lên cảm biến: 45 psi max.Điện áp cung cấp: 3.0 Vdc min., 12.0 Vdc typ., 16.0 Vdc max.Hiệu chỉnh ngõ ra: Không có.Loại port: không có.Điện áp điểm không: 0 mV typ.Nhiệt độ hoạt động: -25 °C to 85 °C [-13 °F to 185 °F].2.Kích thướcChọn các sản phẩm của Cảm biến áp suất thấp Honeywell
1.: Cảm biến áp suất thấp Honeywell CPX15A
-
Loại không cần bộ khuếch đại.
-
Dải đo: 2.0 psia to 15.0 psia
-
Áp suất tối đa có thể tác động lên cảm biến: 45 psi max.
-
Điện áp cung cấp: 3.0 Vdc min., 12.0 Vdc typ., 16.0 Vdc max.
-
Hiệu chỉnh ngõ ra: Không có.
-
Loại port: không có.
-
Điện áp điểm không: 0 mV typ.
-
Nhiệt độ hoạt động: -25 °C to 85 °C [-13 °F to 185 °F].
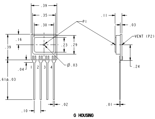
2.Kích thước

Chọn các sản phẩm của Cảm biến áp suất thấp Honeywell

