1.:Công tắc nút nhấn honeywell AML22CBX2AB
-
Kiểu nối dây: SPDT.
-
Loại tác động: Tác động luân phiên.
-
Chân cắm:.110 x .020 (Solder or Quick-Connect).
-
Dải điện áp/Ampe:0.4-2 A @ 0.5-30 Vdc|0.4-3 A @ 0.5-125 Vac|0.4-2 A @ 0.5 -250 Vac.
-
Điện áp LED/Lamp/Neon: 24V.
-
Màu LED/Neon: Xanh lá.
-
Sử dụng nút AML52.
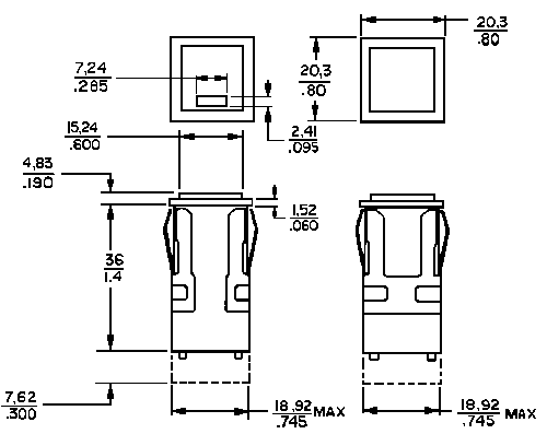
2. Kích thước:


