1.: AC Stepping Motor & Driver Oriental AR46AA-PS7.2-3
-
Động cơ bước AC Oriental AR46AA-PS7.2-3 .
-
Độ phân giải / xung : 0.36o .
-
Loại motor : Chuẩn (Đơn trục) .
-
Điện áp cung cấp : 1 pha, 100-115 VAC .
-
Chiều dài cáp: 3 m .
-
Kích thước khung : 42 mm .
-
Loại hộp số : PS.
-
Driver tương thích : ARD –1 pha, 100-115 VAC .
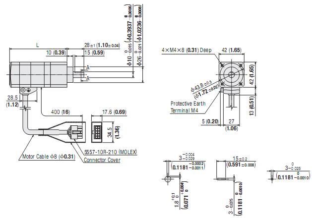
2.Kích thước:


⇒ Chọn

