1.: AC Stepping Motor & Driver Oriental AR66AA-T3.6-3
-
Động cơ bước AC Oriental AR66AA-T3.6-3 .
-
Độ phân giải / xung : 0.36o .
-
Loại motor : Chuẩn (Trục đơn) .
-
Điện áp cung cấp : 1 pha, 100-115 VAC .
-
Chiều dài cáp: 3 m .
-
Kích thước khung : 60 mm .
-
Loại hộp số : TH.
-
Driver tương thích : ARD – 1 pha, 100-115 VAC .
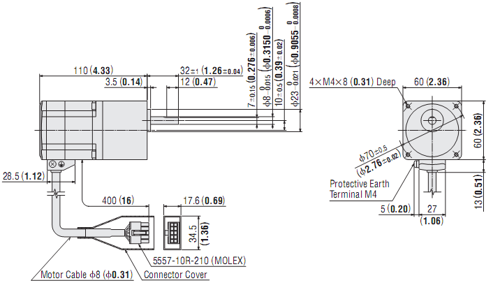
2.Kích thước:


