1.: AC Stepping Motor & Driver Oriental AR98AS-N7.2-3
-
Động cơ bước AC Oriental AR98AS-N7.2-3 .
-
Độ phân giải / xung : 0.36o .
-
Loại motor : Chuẩn (Đơn trục) .
-
Điện áp cung cấp : 3 pha, 200-230 VAC .
-
Chiều dài cáp: 3 m .
-
Kích thước khung : 90 mm .
-
Loại hộp số : PN.
-
Driver tương thích : ARD – 3 pha, 200-230 VAC .
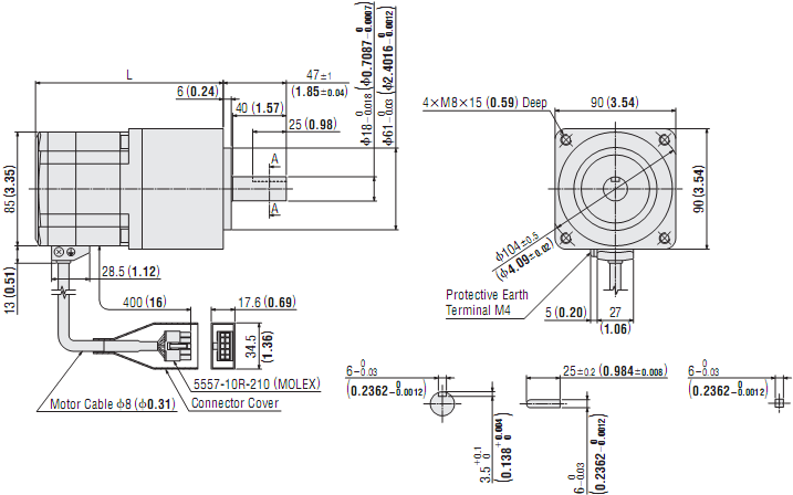
2.Kích thước:


