1.: AC Stepping Motor & Driver Oriental RK564ACE-T20
-
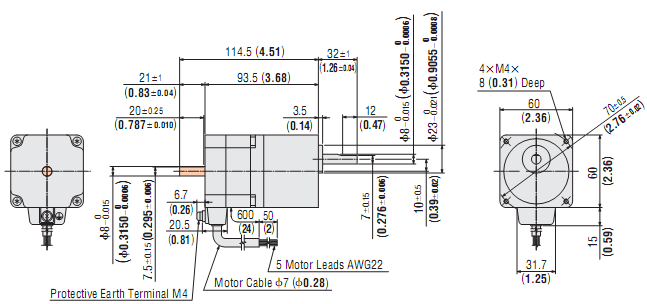
Động cơ bước AC Oriental RK564ACE-T20 .
-
Độ phân giải / xung : 0.72o .
-
Số pha : 5 pha .
-
Kích thước khung : 60 mm .
-
Loại motor : Trục đơn .
-
Điện áp cung cấp : 1 pha, 200-230 VAC .
-
Loại hộp số : TH .
2.Kích thước:


