1.: AC Stepping Motor & Driver Oriental RK599ACT
-
Động cơ bước AC Oriental RK599ACT .
-
Độ phân giải / xung : 0.72o .
-
Số pha : 5 pha .
-
Kích thước khung : 85 mm .
-
Loại motor : Trục đơn .
-
Điện áp cung cấp : 1 pha, 200-230 VAC .
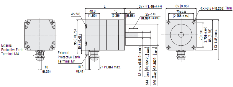
2.Kích thước:

1.: AC Stepping Motor & Driver Oriental RK599ACT
Động cơ bước AC Oriental RK599ACT .
Độ phân giải / xung : 0.72o .
Số pha : 5 pha .
Kích thước khung : 85 mm .
Loại motor : Trục đơn .
Điện áp cung cấp : 1 pha, 200-230 VAC .
2.Kích thước:
