1.: Basic Switches Honeywell V7-1C17E9-292Công tắc honeywell V7-1C17E9-292.Kích thước:15,9 mm H x 10,2 mm W x 28,8 mm L.Sealed: Không có.Dòng tải cho phép: 15 A.Loại tiếp điểm: SPDT.Cơ cấu tác động: Loại cần gạt có hình dạng con lăn.Chân cắm: Loại kết nối nhanh.Nhiệt độ hoạt động: -40 °C to 82 °C [-40 °F to 180 °F].Điện áp hoạt động: 250 Vac.Lực tác động: 0,88 N [3.17 oz] max.Lực hồi về: 0,09 N [0.31 oz] min.Độ dịch chuyển:1,52 mm [0.060 in] min.Trọng lượng: 8 g [0.3 oz].2. Kích thước:Chọn các mã sản phẩm khác của Basic Switches Honeywell V7
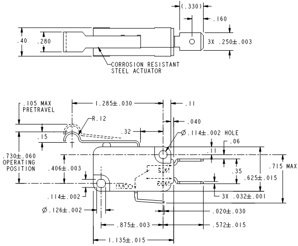
1.: Basic Switches Honeywell V7-1C17E9-292
-
Công tắc honeywell V7-1C17E9-292.
-
Kích thước:15,9 mm H x 10,2 mm W x 28,8 mm L.
-
Sealed: Không có.
-
Dòng tải cho phép: 15 A.
-
Loại tiếp điểm: SPDT.
-
Cơ cấu tác động: Loại cần gạt có hình dạng con lăn.
-
Chân cắm: Loại kết nối nhanh.
-
Nhiệt độ hoạt động: -40 °C to 82 °C [-40 °F to 180 °F].
-
Điện áp hoạt động: 250 Vac.
-
Lực tác động: 0,88 N [3.17 oz] max.
-
Lực hồi về: 0,09 N [0.31 oz] min.
-
Độ dịch chuyển:1,52 mm [0.060 in] min.
-
Trọng lượng: 8 g [0.3 oz].
2. Kích thước:


