1.: Basic Switches Honeywell V7-2B29E9Công tắc honeywell V7-2B29E9.Kích thước:15,9 mm H x 10,2 mm W x 28,8 mm L.Sealed: Không có.Dòng tải cho phép: 11 A.Loại tiếp điểm: SPNO.Cơ cấu tác động: Loại Pin Pittông.Chân cắm: Loại kết nối nhanh.Nhiệt độ hoạt động:-40 °C to 82 °C [-40 °F to 180 °F].Điện áp hoạt động: 277 Vac.Lực tác động: 0,74 N [2.65 oz] max.Lực hồi về:0,10 N [0.353 oz] min.Độ dịch chuyển:1,27 mm [0.050 in] min.Trọng lượng: 8 g [0.3 oz].2. Kích thước:Chọn các mã sản phẩm khác của Basic Switches Honeywell V7
1.: Basic Switches Honeywell V7-2B29E9
-
Công tắc honeywell V7-2B29E9.
-
Kích thước:15,9 mm H x 10,2 mm W x 28,8 mm L.
-
Sealed: Không có.
-
Dòng tải cho phép: 11 A.
-
Loại tiếp điểm: SPNO.
-
Cơ cấu tác động: Loại Pin Pittông.
-
Chân cắm: Loại kết nối nhanh.
-
Nhiệt độ hoạt động:-40 °C to 82 °C [-40 °F to 180 °F].
-
Điện áp hoạt động: 277 Vac.
-
Lực tác động: 0,74 N [2.65 oz] max.
-
Lực hồi về:0,10 N [0.353 oz] min.
-
Độ dịch chuyển:1,27 mm [0.050 in] min.
-
Trọng lượng: 8 g [0.3 oz].
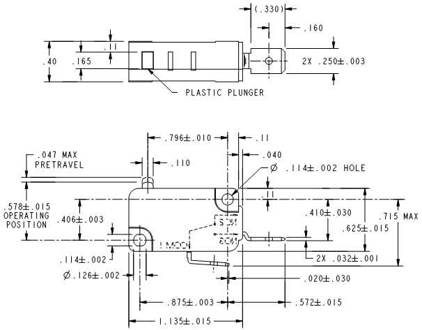
2. Kích thước:


