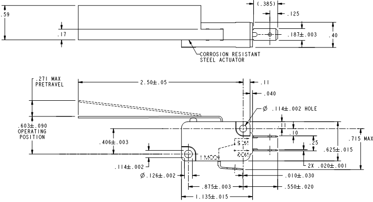
1.: Basic Switches Honeywell V7-7C19D8-640Công tắc honeywell V7-7C19D8-640.Kích thước:15,9 mm H x 10,2 mm W x 28,8 mm L.Sealed: Không có.Dòng tải cho phép: 15 A.Loại tiếp điểm: SPDT.Cơ cấu tác động: Loại cần gạt đặc biệt.Chân cắm: Loại kết nối nhanh.Nhiệt độ hoạt động:-40 °C to 82 °C [-40 °F to 180 °F].Điện áp hoạt động: 250 Vac.Lực tác động: 64 gf max.Lực hồi về: 8.5 gf min.Độ dịch chuyển:3,35 mm [0.132 in] min.Trọng lượng: 8 g [0.3 oz].2. Kích thước:Chọn các mã sản phẩm khác của Basic Switches Honeywell V7
1.: Basic Switches Honeywell V7-7C19D8-640
-
Công tắc honeywell V7-7C19D8-640.
-
Kích thước:15,9 mm H x 10,2 mm W x 28,8 mm L.
-
Sealed: Không có.
-
Dòng tải cho phép: 15 A.
-
Loại tiếp điểm: SPDT.
-
Cơ cấu tác động: Loại cần gạt đặc biệt.
-
Chân cắm: Loại kết nối nhanh.
-
Nhiệt độ hoạt động:-40 °C to 82 °C [-40 °F to 180 °F].
-
Điện áp hoạt động: 250 Vac.
-
Lực tác động: 64 gf max.
-
Lực hồi về: 8.5 gf min.
-
Độ dịch chuyển:3,35 mm [0.132 in] min.
-
Trọng lượng: 8 g [0.3 oz].
2. Kích thước:


