1) : Bộ đặt thời gian Power OFF Delay Autonic AT8PSN
-
Nguồn cung cấp: 100-120VAC 50/60Hz, 200-240VAC 50/60Hz
100/110VDC, 48VDC, 24VDC -
Thời gian cài đặt: 0.5-10s
-
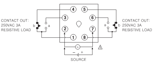
Ngõ ra tiếp điểm: Limit DPDT(2c), 3A/250VAC
-
Tuổi thọ relay: 10,000,000 lần ( cơ khí )/ 100,000 lần ( Điện )
-
Loại đế cắm 8 chân
2) Kích thước

3) Sơ đồ đấu dây

4) Giản đồ điều khiển

