1. Đặc tính kĩ thuật Cảm biến áp suất Sick LFH-SB1X0G1AS15SZ0
-
Cảm biến áp suất Sick LFH-SB1X0G1AS15SZ0
-
Loại cảm biến: Gauge pressure
-
Nguồn cấp: 10 V DC … 30 V DC
-
Dãy áp suất: 0 bar … 1.0 bar
-
Ngõ ra: 4…20 mA
-
Kiểu kết nối: Cable PUR
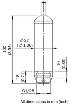
2. Kích thước

Chọn các sản phẩm khác của Cảm biến áp suất Sick LFH

