1. Cảm biến áp suất thấp Honeywell HSCMRNN001BGAA5Ngõ ra kết nối với bộ khuếch đại Dải đo áp suất: 0 bar to 1 bar.Quá áp suất: 2 bar.Điện ápcung cấp: 5 Vdc.Dòng điên cung cấp:2 mA typ.Điều chỉnh ngõ ra: có.Loại port: có ngạnh.Nhiệt độ hoạt động: -20 °C to 85 °C [-4 °F to 185 °F].2.Kích thước: Chọn các sản phẩm của Cảm biến áp suất thấp Honeywell
1. Cảm biến áp suất thấp Honeywell HSCMRNN001BGAA5
-
Ngõ ra kết nối với bộ khuếch đại
-
Dải đo áp suất: 0 bar to 1 bar.
-
Quá áp suất: 2 bar.
-
Điện ápcung cấp: 5 Vdc.
-
Dòng điên cung cấp:2 mA typ.
-
Điều chỉnh ngõ ra: có.
-
Loại port: có ngạnh.
-
Nhiệt độ hoạt động: -20 °C to 85 °C [-4 °F to 185 °F].
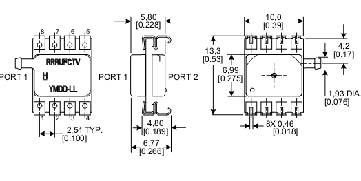
2.Kích thước:

Chọn các sản phẩm của Cảm biến áp suất thấp Honeywell

