1. Cảm biến áp suất thấp Honeywell SCC100AD2Dải đo: 0 psia to 100 psiaQuá áp suất: 150 psia max.Dòng điện cung cấp: 1.5 mA max.Điều chỉnh ngõ ra: không.Thời gian đáp ứng: 0.1 ms typ.Loại port: thẳng.Áp suất điểm không: -30.0 mV min., -10.0 mV typ., 20.0 mV max.Trở kháng ngõ vào: 4.0 kOhm min., 5.0 kOhm typ., 6.5 kOhm max.Trở kháng ngõ ra: 4.0 kOhm min., 5.0 kOhm typ., 6.5 kOhm max.Nhiệt độ hoạt động: -40 °C to 85 °C [-40 °F to 185 °F].2.Kích thước Chọn các sản phẩm của Cảm biến áp suất thấp Honeywell
1. Cảm biến áp suất thấp Honeywell SCC100AD2
-
Dải đo: 0 psia to 100 psia
-
Quá áp suất: 150 psia max.
-
Dòng điện cung cấp: 1.5 mA max.
-
Điều chỉnh ngõ ra: không.
-
Thời gian đáp ứng: 0.1 ms typ.
-
Loại port: thẳng.
-
Áp suất điểm không: -30.0 mV min., -10.0 mV typ., 20.0 mV max.
-
Trở kháng ngõ vào: 4.0 kOhm min., 5.0 kOhm typ., 6.5 kOhm max.
-
Trở kháng ngõ ra: 4.0 kOhm min., 5.0 kOhm typ., 6.5 kOhm max.
-
Nhiệt độ hoạt động: -40 °C to 85 °C [-40 °F to 185 °F].
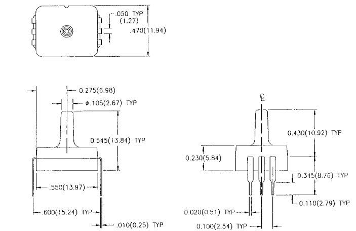
2.Kích thước

Chọn các sản phẩm của Cảm biến áp suất thấp Honeywell

