1.: Cảm biến áp suất thấp Honeywell XPC60GBTCLoại đo: Chân không, tiêu chuẩn.Không cần bộ khuếch đại.Dải đo: ±60 psi.Quá áp suất: 180 psi max.Điện áp cung cấp: 3 Vdc min., 12 Vdc typ., 16 Vdc max.Điều chỉnh ngõ ra: có.Loại port: Có ngạnh.Độ nhạy: 1.5 mV/psi typ.Điện áp điểm không: 0 mV typ.Điện trở ngõ vào: 5.0 kOhm min.Điện trở ngõ ra: 3.0 kOhm typ.Nhiệt độ hoạt động: -25 °C to 85 °C [-13 °F to 185 °F].2.Kích thướcChọn các sản phẩm của Cảm biến áp suất thấp Honeywell
1.: Cảm biến áp suất thấp Honeywell XPC60GBTC
-
Loại đo: Chân không, tiêu chuẩn.
-
Không cần bộ khuếch đại.
-
Dải đo: ±60 psi.
-
Quá áp suất: 180 psi max.
-
Điện áp cung cấp: 3 Vdc min., 12 Vdc typ., 16 Vdc max.
-
Điều chỉnh ngõ ra: có.
-
Loại port: Có ngạnh.
-
Độ nhạy: 1.5 mV/psi typ.
-
Điện áp điểm không: 0 mV typ.
-
Điện trở ngõ vào: 5.0 kOhm min.
-
Điện trở ngõ ra: 3.0 kOhm typ.
-
Nhiệt độ hoạt động: -25 °C to 85 °C [-13 °F to 185 °F].
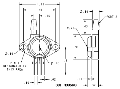
2.Kích thước

Chọn các sản phẩm của Cảm biến áp suất thấp Honeywell

