1. Đặc tính kĩ thuật
-
Cảm biến nhiệt độ Sick TCT-1PAGE1506MZ
-
Ngõ ra: Tín hiệu PT100, 4 chân.
-
Dải đo nhiệt độ: –50 °C … +150 °C
-
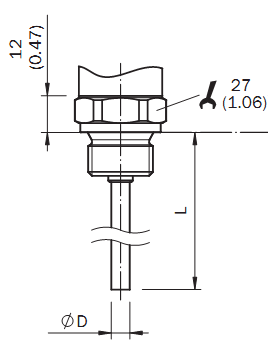
Kích thước – Chiều dài x Đường kính: 150mm x 6mm
-
Kiểu kết nối: M12x1, 4 chân, IP67.
2. Kích thước


chọn các sản phẩm khác của Cảm biến nhiệt độ Sick TCT

