1.: Cảm biến quang Allen-Bradley 42SMU–7261
-
Cảm biến quang phản xạ gương phân cực vòng Allen-Bradley 42SMU–7261.
-
Khoảng cách phát hiện 50mm(2in) to1.5m (4.9ft).
-
Ngõ ra PNP.
-
Chế độ ngõ ra Light On and Dark On.
-
Điện áp cung cấp 11–28V DC.
-
Loại kết nối cáp dài 2m.
-
Có bảo vệ chống phân cực ngược, bảo vệ quá tải, bảo vệ ngắn mạch.
-
Nhiệt độ hoạt động –40°C to +65°C.
-
Tiêu chuẩn bảo vệ IP67.
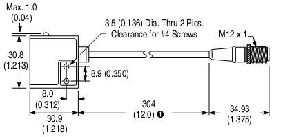
2.Kích thước


3.Sơ đồ nối dây

