1. Mô Tả: Cảm biến quang Autonics BJ100-DDT-P
-
Loại: Phản xạ khuếch tán
-
Khoảng cách phát hiện: 0-100 mm có thể điều chỉnh được
-
Điện áp hoạt động: 12 … 24VDC
-
Nguồn sáng hồng ngoại
-
Chế độ hoạt động Light ON/ Dark ON
-
Ngõ ra dạng PNP, NO
-
Kết nối: cáp nối sẵn
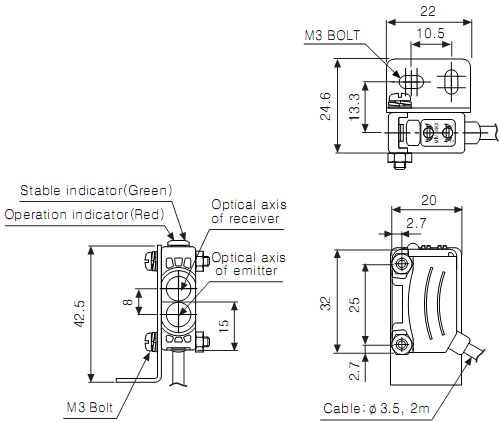
2. Kích thước

3. Nối Dây

