1.: Cảm biến tiệm cận Allen-bradley 871D-BW2N524-N3
-
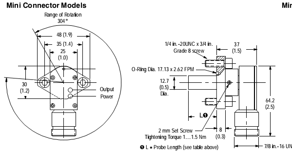
Cảm biến tiệm cận vị trí của xilanh Allen-Bradley 871D-BW2N524-N3.
-
Điện áp cung cấp 20-250 VAC/DC.
-
Khoảng cách phát hiện 2mm.
-
Chiều dài đầu dò 52.4mm.
-
Ngõ ra 2 dây NO.
-
Loại kết nối Mini QD.
-
Nhiệt độ hoạt động -25…+70(-13…+158).
-
Cấp bảo vệ IP 67.
2.Kích thước

3.Sơ đồ kết nối


