1. Mô Tả Cảm biến tiệm cận Autonics PR18-5DN
-
Cảm biến tiệm cận cảm ứng từ loại hình trụ PRL18-5DN
-
Loại thân dài, đường kính M18
-
Khoảng cách phát hiện: 5 mm
-
Điện áp hoạt động: 12-24 VDC
-
Tần số đáp ứng: 500 Hz
-
Ngõ ra NPN, NO
-
Kết nối: DC 3-wire, cáp nối sẵn
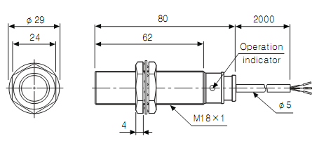
2. Kích thước

3. Nối Dây

⇒ CHỌN CÁC MÃ SẢN PHẨM KHÁC CỦA PR SERIES

