1. Mô Tả Cảm biến tiệm cận Autonics PRCML18-5DP2
-
Cảm biến tiệm cận hình trụ PRCML18-5DP2
-
Loại thân dài, đường kính thân M18
-
Khoảng cách phát hiện: 5 mm
-
Điện áp hoạt động: 12-24 VDC
-
Tần số đáp ứng: 500 Hz
-
Ngõ ra PNP, NC
-
Kết nối: DC 3-wire, giắc cắm M12
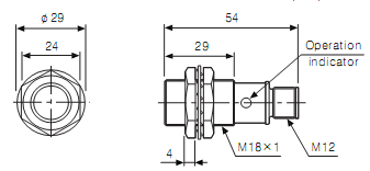
2. Kích thước

3. Nối Dây


