1. Mô Tả Cảm biến tiệm cận Autonics PRCML30-15AO
-
Cảm biến tiệm cận hình trụ PRCML30-15AO
-
Loại giắc cắm, thân dài đường kính M30
-
Khoảng cách phát hiện: 15 mm
-
Điện áp hoạt động: 100-240 VAC
-
Tần số đáp ứng: 20 Hz
-
Ngõ ra thường mở
Kết nối: AC 2-wire, giắc cắm M12
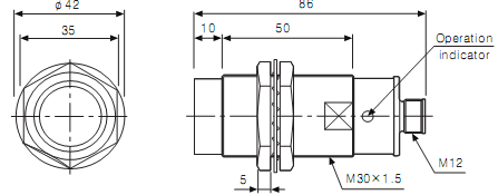
2. Kích thước

3. Nối Dây


