1. Mô Tả Cảm biến tiệm cận Autonics PRCMT18-5DO-I
-
Cảm biến tiệm cận hình trụ PRCMT18-5DO-I
-
Loại giắc cắm, đường kính thân M18
-
Khoảng cách phát hiện: 5 mm
-
Điện áp hoạt động: 12-24 VDC
-
Tần số đáp ứng: 500 Hz
-
Ngõ ra thường mở
Kết nối: DC 2-wire (theo tiêu chuẩn IEC), giắc cắm M12
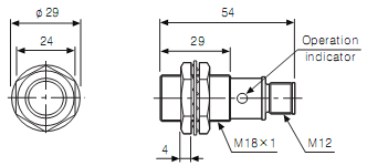
2. Kích thước

3. Nối Dây


