1. Mô Tả Cảm biến tiệm cận Autonics PRDL12-8DP2
-
Loại thân dài, đường kính M12
-
Khoảng cách phát hiện: 8 mm
-
Điện áp hoạt động: 12-24 VDC
-
Tần số đáp ứng: 400 Hz
-
Ngõ ra PNP, NC
-
Kết nối: DC 3-wire, cáp nối sẵn
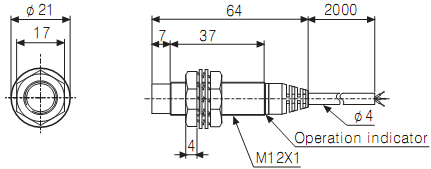
2. Kích thước

3. Nối Dây

1. Mô Tả Cảm biến tiệm cận Autonics PRDL12-8DP2
Loại thân dài, đường kính M12
Khoảng cách phát hiện: 8 mm
Điện áp hoạt động: 12-24 VDC
Tần số đáp ứng: 400 Hz
Ngõ ra PNP, NC
Kết nối: DC 3-wire, cáp nối sẵn
2. Kích thước

3. Nối Dây
