1. Mô Tả Cảm biến tiệm cận Autonics PRDL18-14DC-V
-
Loại thân dài, đường kính M18
-
Khoảng cách phát hiện: 14 mm
-
Điện áp hoạt động: 12-24 VDC
-
Tần số đáp ứng: 200 Hz
-
Ngõ ra thường hở
-
Kết nối: DC 2-wire, cáp nối sẵn
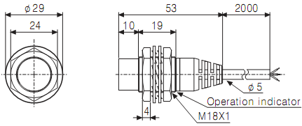
2. Kích thước

3. Nối Dây


Chọn các sản phẩm khác của Cảm biến tiệm cận Autonics PRD

