1. Mô TảCảm biến tiệm cận Autonics PRDL18-14DP
-
Loại thân dài, đường kính M18
-
Khoảng cách phát hiện: 14 mm
-
Điện áp hoạt động: 12-24 VDC
-
Tần số đáp ứng: 200 Hz
-
Ngõ ra PNP, NO
-
Kết nối: DC 3-wire, cáp nối sẵn
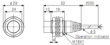
2. Kích thước

3. Nối Dây

1. Mô TảCảm biến tiệm cận Autonics PRDL18-14DP
Loại thân dài, đường kính M18
Khoảng cách phát hiện: 14 mm
Điện áp hoạt động: 12-24 VDC
Tần số đáp ứng: 200 Hz
Ngõ ra PNP, NO
Kết nối: DC 3-wire, cáp nối sẵn
2. Kích thước

3. Nối Dây
