1. Mô Tả Cảm biến tiệm cận Autonics PRDLT18-7DO-V
-
Loại thân dài đường kính M18
-
Khoảng cách phát hiện: 7 mm
-
Điện áp hoạt động: 12-24 VDC
-
Tần số đáp ứng: 250 Hz
-
Ngõ ra thường hở
-
Kết nối: DC 2-wire, cáp nối sẵn
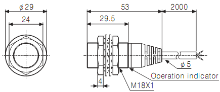
2. Kích thước

3. Nối Dây


Chọn các sản phẩm khác của Cảm biến tiệm cận Autonics PRD

