1. Mô Tả Cảm biến tiệm cận Autonics PRDT30-15DC
-
Loại khoảng cách phát hiện dài, đường kính M30
-
Khoảng cách phát hiện: 15 mm
-
Điện áp hoạt động: 12-24 VDC
-
Tần số đáp ứng: 100 Hz
-
Ngõ ra thường đóng
-
Kết nối: DC 2-wire, cáp nối sẵn
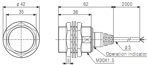
2. Kích thước

3. Nối Dây


