1. Mô Tả: Cảm biến tiệm cận Autonics PSN40-20DN2
-
Cảm biến tiệm cận hình vuông PSN40-20DN2
-
Chiều dài cạnh đầu cảm biến: 40 mm
-
Khoảng cách phát hiện: 20 mm
-
Điện áp hoạt động: 12-24 VDC
-
Tần số đáp ứng: 100 Hz
-
Ngõ ra NPN, NC
-
Kết nối: DC 3-wire, cáp nối sẵn dài 2 m
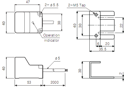
2. Kích thước

3. Nối Dây

Tham khảo thêm các sản phẩm của Cảm biến tiệm cận Autonics PS/PSN

