1. Đặc tính kĩ thuật: Cảm biến tương phản Sick KT5G-2N2112
-
Phát hiện vật liệu có độ chói cao
-
Nguồn sáng phát ra: màu có kích thước 1.2 mm x 4.2 mm
-
Khoảng cách phát hiện: 10 mm ± 3 mm
-
Nguồn cấp: 10 V … 30 V DC
-
Ngõ ra: NPN (Light/dark switching)
-
Thời gian đáp ứng: 50 µs
-
Tần số: 10 kHz
-
Kiểu dây kết nối: M12, 5-pin
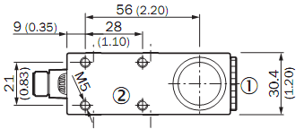
2. Kích thước



