1. :CB chỉnh dòng Siemens 3RV1011-1CA10
-
Size S00, Class 10
-
Bảo vệ quá tải động cơ 3 pha 400VAC, 0.75 kW
-
Dòng điện định mức: In = 2.5 A
-
Dải dòng điện điều chỉnh: 1.8 … 2.5 A
-
Dòng cắt ngắn mạch tức thời: Im = 33 A
-
Dòng cắt ngắn mạch tới hạn: Icu = 100 kA
-
Tiếp điểm phụ: 0
-
Độ bền tiếp điểm:
-
Cơ: 100,000 lần
-
Điện: 100,000 lần
-
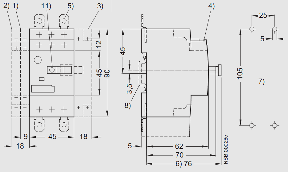
2. Kích thước:

-
-
Chọn các sản phẩm của CB chỉnh dòng Siemens
-

