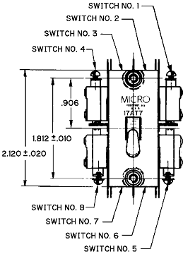
1.: Công tắc chuyển mạch Micro switches toggle 17AT7Công tắc lật honeywell 17AT7.Dòng tải: 0.25 A at 250 Vdc. 0.4 A to10 A at 0.5 Vac to 250 Vac. 0.5 A at 125 Vdc.Loại tiếp điểm: 8PDT.Kiểu tác động: 2 vị trí.Kiểu lắp đặt: 3 lỗ.Chân cắm: Loại bắt vít.Bao gồm 1 công tắc V3-1.2. Kích thước:
1.: Công tắc chuyển mạch Micro switches toggle 17AT7
-
Công tắc lật honeywell 17AT7.
-
Dòng tải: 0.25 A at 250 Vdc.
0.4 A to10 A at 0.5 Vac to 250 Vac.
0.5 A at 125 Vdc. -
Loại tiếp điểm: 8PDT.
-
Kiểu tác động: 2 vị trí.
-
Kiểu lắp đặt: 3 lỗ.
-
Chân cắm: Loại bắt vít.
-
Bao gồm 1 công tắc V3-1.
2. Kích thước:


