1.: Công tắc hành trình Honeywell 12SX3-H58Công tắc honeywell 12SX3-H58.Kích thước: 10,2 mm H x 5,08 mm W x 12,7 mm L.Sealed: Không có.Dòng tải cho phép: 1 A.Loại tiếp điểm: SPDT.Cơ cấu tác động: PinPittông.Chân cắm: Loại kết nối nhanh( Quick Connect).Nhiệt độ hoạt động: -53 °C to 121 °C [-65 °F to 250 °F].Điện áp hoạt động: 125 Vac.Lực tác động:0,70 N to 1,39 N [2.47 oz to 5.0 oz] max.Lực hồi về:0,28 N [1.0 oz] min.Độ dịch chuyển: 0,1 mm [0.004 in] min.Kích thước ốc lắp đặt: 22,1 mm [0.087 in].Trọng lượng: 1,36 g [0.003 lb]. 2. Kích thước:
1.: Công tắc hành trình Honeywell 12SX3-H58
Công tắc honeywell 12SX3-H58.
-
Kích thước: 10,2 mm H x 5,08 mm W x 12,7 mm L.
-
Sealed: Không có.
-
Dòng tải cho phép: 1 A.
-
Loại tiếp điểm: SPDT.
-
Cơ cấu tác động: PinPittông.
-
Chân cắm: Loại kết nối nhanh( Quick Connect).
-
Nhiệt độ hoạt động: -53 °C to 121 °C [-65 °F to 250 °F].
-
Điện áp hoạt động: 125 Vac.
Lực tác động:0,70 N to 1,39 N [2.47 oz to 5.0 oz] max.
-
Lực hồi về:0,28 N [1.0 oz] min.
-
Độ dịch chuyển: 0,1 mm [0.004 in] min.
-
Kích thước ốc lắp đặt: 22,1 mm [0.087 in].
-
Trọng lượng: 1,36 g [0.003 lb].
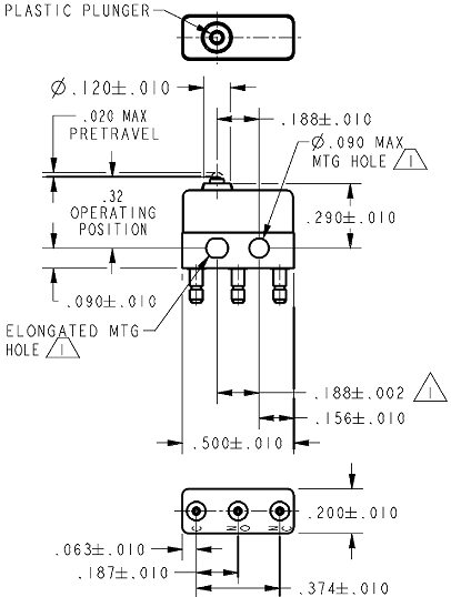
2. Kích thước:


