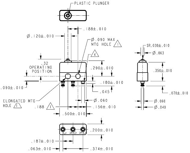
1.: Công tắc hành trình Honeywell 1SX90-TCông tắc honeywell 1SX90-T.Kích thước: 10,2 mm H x 5,08 mm W x 12,7 mm L.Sealed: Không có.Dòng tải cho phép: 7 A.Loại tiếp điểm: SPNO.Cơ cấu tác động: PinPittông.Chân cắm: Loại hợp kim.Nhiệt độ hoạt động:-53 °C to 121 °C [-65 °F to 250 °F].Điện áp hoạt động: 250 Vac.Kích thước ốc lắp đặt: 22,1 mm [0.087 in].Trọng lượng: 1,36 g [0.003 lb]. 2. Kích thước:
1.: Công tắc hành trình Honeywell 1SX90-T
Công tắc honeywell 1SX90-T.
-
Kích thước: 10,2 mm H x 5,08 mm W x 12,7 mm L.
-
Sealed: Không có.
-
Dòng tải cho phép: 7 A.
-
Loại tiếp điểm: SPNO.
-
Cơ cấu tác động: PinPittông.
-
Chân cắm: Loại hợp kim.
-
Nhiệt độ hoạt động:-53 °C to 121 °C [-65 °F to 250 °F].
-
Điện áp hoạt động: 250 Vac.
Kích thước ốc lắp đặt: 22,1 mm [0.087 in].
-
Trọng lượng: 1,36 g [0.003 lb].
2. Kích thước:


