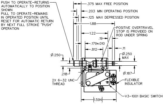
1.:Công tắc hành trình Honeywell 2AC59Công tắc cửa honeywell 2AC59.Kích thước:38,1 mm H x 12,7 mm W x 38,1 mm. Sealed: Không có.Dòng tải cho phép: 10 A.Loại tiếp điểm: SPDT.Cơ cấu tác động: Loại thanh tròn.Chân cắm: Loại bắt vít.Nhiệt độ hoạt động: -18 °C to 82 °C [-65 °F to 180 °F].Điện áp hoạt động: 250 Vac.Trọng lượng: 34,02 g [.075 lb].2. Kích thước:
1.:Công tắc hành trình Honeywell 2AC59
-
Công tắc cửa honeywell 2AC59.
-
Kích thước:38,1 mm H x 12,7 mm W x 38,1 mm.
-
Sealed: Không có.
-
Dòng tải cho phép: 10 A.
-
Loại tiếp điểm: SPDT.
-
Cơ cấu tác động: Loại thanh tròn.
-
Chân cắm: Loại bắt vít.
-
Nhiệt độ hoạt động: -18 °C to 82 °C [-65 °F to 180 °F].
-
Điện áp hoạt động: 250 Vac.
-
Trọng lượng: 34,02 g [.075 lb].
2. Kích thước:


