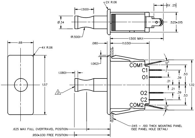
1.: Công tắc hành trình Honeywell 2DM301Công tắc Honeywell 2DM301.Kích thước:13,97 mm x 28,45 mm [0.55 in x 1.12 in].Sealed: Không có.Dòng tải cho phép: 10 A.Loại tiếp điểm: DPDT.Cơ cấu tác động: Đầu Pittông hình viên đạn.Chân cắm: Loại kết nối nhanh( Quick Connect).Nhiệt độ hoạt động: -37 °C to 82 °C [-35 °F to 180 °F].Điện áp hoạt động: 250 Vac.Lực tác động:6,67 N [24 oz] max.Lực hồi về:1,67 N [6.0 oz] min. 2. Kích thước
1.: Công tắc hành trình Honeywell 2DM301
Công tắc Honeywell 2DM301.
-
Kích thước:13,97 mm x 28,45 mm [0.55 in x 1.12 in].
-
Sealed: Không có.
-
Dòng tải cho phép: 10 A.
-
Loại tiếp điểm: DPDT.
-
Cơ cấu tác động: Đầu Pittông hình viên đạn.
-
Chân cắm: Loại kết nối nhanh( Quick Connect).
-
Nhiệt độ hoạt động: -37 °C to 82 °C [-35 °F to 180 °F].
-
Điện áp hoạt động: 250 Vac.
Lực tác động:6,67 N [24 oz] max.
-
Lực hồi về:1,67 N [6.0 oz] min.
2. Kích thước



