1.: Công tắc hành trình Honeywell 2DM438Công tắc honeywell 2DM438.Kích thước:0.55 in x 1.45 in.Sealed: Không có.Dòng tải cho phép: 10 A.Loại tiếp điểm: DPDT.Cơ cấu tác động: Cần gạtPittông đầu bẹt.Chân cắm: Loại kết nối nhanh( Quick Connect).Nhiệt độ hoạt động: -37 °C to 82 °C [-35 °F to 180 °F].Điện áp hoạt động: 277 Vac.Lực tác động:6,67 N [24 oz] max.Độ dịch chuyển: 2,69 mm [.105 in] min. 2. Kích thước
1.: Công tắc hành trình Honeywell 2DM438
Công tắc honeywell 2DM438.
-
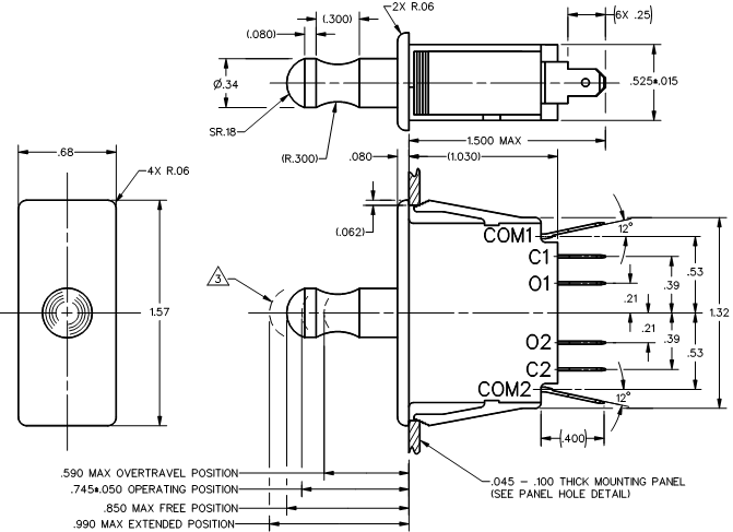
Kích thước:0.55 in x 1.45 in.
-
Sealed: Không có.
-
Dòng tải cho phép: 10 A.
-
Loại tiếp điểm: DPDT.
-
Cơ cấu tác động: Cần gạtPittông đầu bẹt.
-
Chân cắm: Loại kết nối nhanh( Quick Connect).
-
Nhiệt độ hoạt động: -37 °C to 82 °C [-35 °F to 180 °F].
-
Điện áp hoạt động: 277 Vac.
Lực tác động:6,67 N [24 oz] max.
-
Độ dịch chuyển: 2,69 mm [.105 in] min.
2. Kích thước


