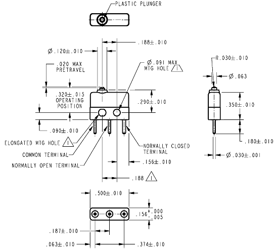
1.: Công tắc hành trình Honeywell 91SX51Công tắc honeywell 91SX51.Kích thước: 8,89 mm H x 5,08 mm W x 12,7 mm L.Sealed: Không có.Dòng tải cho phép: 7 A.Loại tiếp điểm: SPDT.Cơ cấu tác động: Loại PinPittông.Chân cắm: Loại hợp kimNhiệt độ hoạt động: -53 °C to 85 °C [-65 °F to 185 °F].Điện áp hoạt động: 28 Vdc.Lực tác động:1,39 N [5.0 oz] max.Lực hồi về:0,28 N [1.0 oz] min.Độ dịch chuyển: 0,1 mm [0.004 in] min.Kích thước ốc lắp đặt: 22,1 mm [0.087 in].Trọng lượng: 1,36 g [0.003 lb]. 2. Kích thước:
1.: Công tắc hành trình Honeywell 91SX51
Công tắc honeywell 91SX51.
-
Kích thước: 8,89 mm H x 5,08 mm W x 12,7 mm L.
-
Sealed: Không có.
-
Dòng tải cho phép: 7 A.
-
Loại tiếp điểm: SPDT.
-
Cơ cấu tác động: Loại PinPittông.
-
Chân cắm: Loại hợp kim
-
Nhiệt độ hoạt động: -53 °C to 85 °C [-65 °F to 185 °F].
-
Điện áp hoạt động: 28 Vdc.
Lực tác động:1,39 N [5.0 oz] max.
-
Lực hồi về:0,28 N [1.0 oz] min.
-
Độ dịch chuyển: 0,1 mm [0.004 in] min.
-
Kích thước ốc lắp đặt: 22,1 mm [0.087 in].
-
Trọng lượng: 1,36 g [0.003 lb].
2. Kích thước:


