1.: Công tắc hành trình Honeywell LS3F1E
-
Công tắc hành trình honeywell LS3F1E.
-
Lực tác động:0,45 N m [4 in lb] max.
-
Độ dịch chuyển: 70° min.
-
Loại sản phẩm: MICRO SWITCH™ Heavy-Duty Limit Switches.
-
cơ cấu tác động:Side Rotary.
-
Loại tiếp điểm: 1NC 1NO DPDT Snap Action, Double-Break.
-
Dòng tải cho phép: 10 A (Thermal).
-
Điện áp hoạt động: 600 Vac and 250 Vdc max.
-
Chân cắm: loại 0.5 in – 14NPT Conduit.
-
Kiểu lắp đặt: HDLS Non Plug-in.
-
Sealing: NEMA 1, 3, 4, 4X, 6, 6P, 12, 13.
-
Nhiệt độ hoạt động: -40 °C to 121 °C [-40 °F to 250 °F].
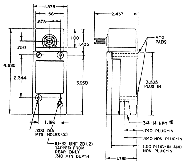
2. Kích thước:

Chọn các mã sản phẩm khác của Công tắc hành trình HDLS

