1.: Công tắc hành trình Honeywell LSYAC7LR-FP.Lực tác động: 0,45 N m [4 in lb] max.Độ dịch chuyển:60° min.Loại sản phẩm: MICRO SWITCH™ Heavy-Duty Limit Switches.cơ cấu tác động: Side Rotary.Loại tiếp điểm: 2NC 2NO DPDT Snap Action, Double-Break.Dòng tải cho phép: 7A (Thermal).Điện áp hoạt động: 600 Vac and 250 Vdc max.Chân cắm: loại 9-Pin Mini-Connector.Kiểu lắp đặt: HDLS Non Plug-in.Sealing: NEMA 1, 3, 4, 6, 6P, 12, 13.Nhiệt độ hoạt động:-12 °C to 121 °C [-10 °F to 250 °F].2. Kích thước: Tham khảo thêm các sản phẩm của Công tắc hành trình Honeywell HDLS Fully Potted
1.: Công tắc hành trình Honeywell LSYAC7LR-FP.
-
Lực tác động: 0,45 N m [4 in lb] max.
-
Độ dịch chuyển:60° min.
-
Loại sản phẩm: MICRO SWITCH™ Heavy-Duty Limit Switches.
-
cơ cấu tác động: Side Rotary.
-
Loại tiếp điểm: 2NC 2NO DPDT Snap Action, Double-Break.
-
Dòng tải cho phép: 7A (Thermal).
-
Điện áp hoạt động: 600 Vac and 250 Vdc max.
-
Chân cắm: loại 9-Pin Mini-Connector.
-
Kiểu lắp đặt: HDLS Non Plug-in.
-
Sealing: NEMA 1, 3, 4, 6, 6P, 12, 13.
-
Nhiệt độ hoạt động:-12 °C to 121 °C [-10 °F to 250 °F].
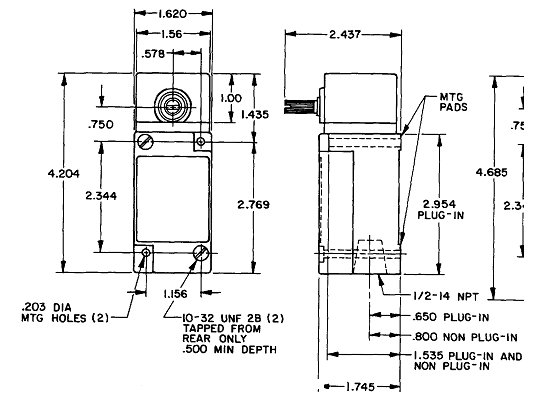
2. Kích thước:

Tham khảo thêm các sản phẩm của Công tắc hành trình Honeywell HDLS Fully Potted

