1.: Công tắc hành trình Honeywell V15H16-CP100Công tắc Honeywell V15H16-CP100.Kích thước:15,9 mm H x 10,30 mm W x 27,80 mm L.Dòng tải cho phép: 16 A.Loại tiếp điểm: SPST-NO.Cơ cấu tác động: Pin Pittông.Chân cắm: Loại kết nối nhanh(Quick Connect).Nhiệt độ hoạt động: -25 °C to 150 °C [-13 °F to 300 °F].Điện áp hoạt động: 125 Vac/250 Vac.Lực tác động:100 gf max..Lực hồi về: 25 gf min.Vật liệu: Plastic.Kích thước ốc lắp đặt: 3 mm.Mã UNSPSC: 30211905.Trọng lượng: 5 g. 2. Kích thướcChọn các mã sản phẩm khác của công tắc hành trình snap V15
1.: Công tắc hành trình Honeywell V15H16-CP100
Công tắc Honeywell V15H16-CP100.
-
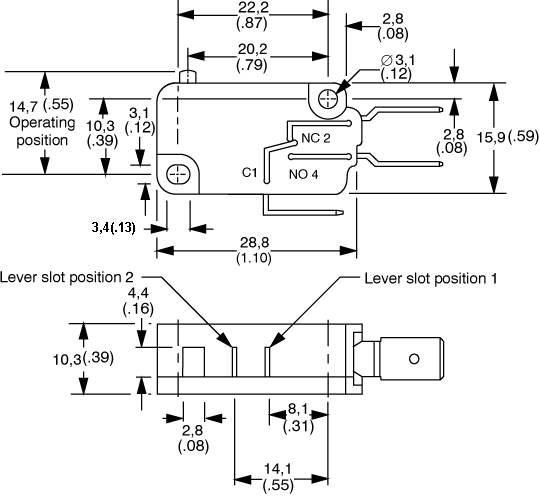
Kích thước:15,9 mm H x 10,30 mm W x 27,80 mm L.
-
Dòng tải cho phép: 16 A.
-
Loại tiếp điểm: SPST-NO.
-
Cơ cấu tác động: Pin Pittông.
-
Chân cắm: Loại kết nối nhanh(Quick Connect).
-
Nhiệt độ hoạt động: -25 °C to 150 °C [-13 °F to 300 °F].
-
Điện áp hoạt động: 125 Vac/250 Vac.
Lực tác động:100 gf max..
-
Lực hồi về: 25 gf min.
-
Vật liệu: Plastic.
-
Kích thước ốc lắp đặt: 3 mm.
-
Mã UNSPSC: 30211905.
Trọng lượng: 5 g.
2. Kích thước


