1.: Công tắc hành trình Honeywell ZM50E70F01Công tắc Honeywell ZM50E70F01.Kích thước:10,6 mm H x 6,4 mm W x 19,8 mm L.Dòng tải cho phép: 5 A.Loại tiếp điểm: SPDT.Cơ cấu tác động: Cần gạt có trục lăn.Chân cắm: Loại kết nối nhanh(Quick Connect).Nhiệt độ hoạt động: -40 °C to 85 °C [-40 °F to 185 °F].Độ ẩm tương đối: 85 % RH max. at 40 °C [104 °F].Điện áp hoạt động: 125 Vac/250 Vac.Lực tác động:0,35 N [1.23 oz] max.Lực hồi về:0,08 N [0.28 oz] min.Kích thước ốc lắp đặt: 2,3 mm [0.091 in].Mã UNSPSC: 30211905. 2. Kích thướcChọn các mã sản phẩm khác của Công tắc hành trình snap ZM
1.: Công tắc hành trình Honeywell ZM50E70F01
Công tắc Honeywell ZM50E70F01.
-
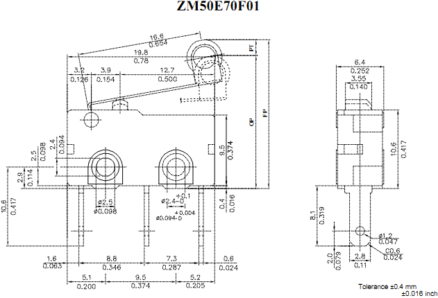
Kích thước:10,6 mm H x 6,4 mm W x 19,8 mm L.
-
Dòng tải cho phép: 5 A.
-
Loại tiếp điểm: SPDT.
-
Cơ cấu tác động: Cần gạt có trục lăn.
-
Chân cắm: Loại kết nối nhanh(Quick Connect).
-
Nhiệt độ hoạt động: -40 °C to 85 °C [-40 °F to 185 °F].
-
Độ ẩm tương đối: 85 % RH max. at 40 °C [104 °F].
-
Điện áp hoạt động: 125 Vac/250 Vac.
Lực tác động:0,35 N [1.23 oz] max.
-
Lực hồi về:0,08 N [0.28 oz] min.
Kích thước ốc lắp đặt: 2,3 mm [0.091 in].
-
Mã UNSPSC: 30211905.
2. Kích thước


