1.: Công tắc honeywell ZV50E70C01.Kích thước:10,6 mm H x 6,4 mm W x 19,8 mm L.Sealed: Không có.Dòng tải cho phép: 6 A.Loại tiếp điểm: SPDT.Cơ cấu tác động: Loại cần gạt thẳng.Chân cắm: Loại hợp kim dài.Nhiệt độ hoạt động:-40 °C to 85 °C [-40 °F to 185 °F].Độ ẩm hoạt động: 85 % RH max. at 40 °C [104 °F].Điện áp hoạt động: 6(2)A 250 Vac.Lực tác động: 0,44 N [1.59 oz] max.Lực hồi về: 0,09 N [0.31 oz] min.Độ dịch chuyển:1,0 mm [0.039 in] min.Kích thước ốc lắp đặt: 2,3 mm [0.091 in].2. Kích thước:=> Chọn các sản phẩm khác của Công tắc hành trình Snap ZV
1.: Công tắc honeywell ZV50E70C01.
-
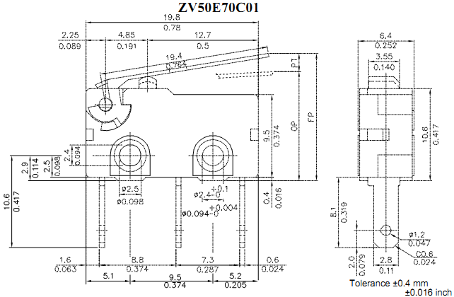
Kích thước:10,6 mm H x 6,4 mm W x 19,8 mm L.
-
Sealed: Không có.
-
Dòng tải cho phép: 6 A.
-
Loại tiếp điểm: SPDT.
-
Cơ cấu tác động: Loại cần gạt thẳng.
-
Chân cắm: Loại hợp kim dài.
-
Nhiệt độ hoạt động:-40 °C to 85 °C [-40 °F to 185 °F].
-
Độ ẩm hoạt động: 85 % RH max. at 40 °C [104 °F].
-
Điện áp hoạt động: 6(2)A 250 Vac.
-
Lực tác động: 0,44 N [1.59 oz] max.
-
Lực hồi về: 0,09 N [0.31 oz] min.
-
Độ dịch chuyển:1,0 mm [0.039 in] min.
-
Kích thước ốc lắp đặt: 2,3 mm [0.091 in].
2. Kích thước:

=> Chọn các sản phẩm khác của Công tắc hành trình Snap ZV

