1.: Công tắc hành trình snap BZ-2RQ24-A2Công tắc honeywell BZ-2RQ24-A2.Kích thước:25,4 mm H x 17,8 mm W x 50,8 mm L.Sealed: Không có.Dòng tải cho phép: 15 A.Loại tiếp điểm: SPDT.Cơ cấu tác động: Loại Pittông cao.Chân cắm: Loại hợp kim.Nhiệt độ hoạt động:-55 °C to 85 °C [-67 °F to 185 °F].Điện áp hoạt động: 250 Vac.Lực tác động:3,61 N [13.0 oz] max.Lực hồi về: 1,11 N [4.0 oz] min.Độ dịch chuyển:5,56 mm [0.219 in] min.Kích thước ốc lắp đặt: 3,53 mm [0.139 in].Trọng lượng: 24,94 g to 34,01 g [0.055 lb to 0.075 lb].2. Kích thước:⇒ Chọn các mã sản phẩm khác của Công tắc hành trình snap BZ
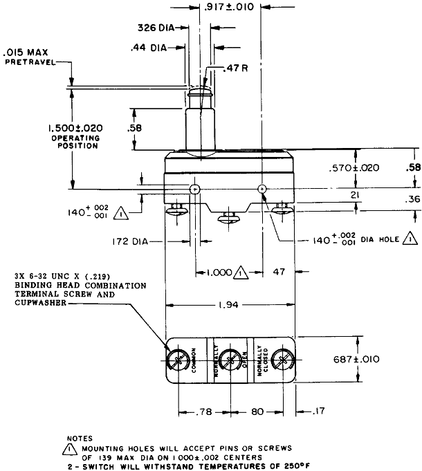
1.: Công tắc hành trình snap BZ-2RQ24-A2
-
Công tắc honeywell BZ-2RQ24-A2.
-
Kích thước:25,4 mm H x 17,8 mm W x 50,8 mm L.
-
Sealed: Không có.
-
Dòng tải cho phép: 15 A.
-
Loại tiếp điểm: SPDT.
-
Cơ cấu tác động: Loại Pittông cao.
-
Chân cắm: Loại hợp kim.
-
Nhiệt độ hoạt động:-55 °C to 85 °C [-67 °F to 185 °F].
-
Điện áp hoạt động: 250 Vac.
-
Lực tác động:3,61 N [13.0 oz] max.
-
Lực hồi về: 1,11 N [4.0 oz] min.
-
Độ dịch chuyển:5,56 mm [0.219 in] min.
-
Kích thước ốc lắp đặt: 3,53 mm [0.139 in].
-
Trọng lượng: 24,94 g to 34,01 g [0.055 lb to 0.075 lb].
2. Kích thước:

⇒ Chọn các mã sản phẩm khác của Công tắc hành trình snap BZ

