1.: Công tắc hành trình snap BZ-2RS-A2Công tắc honeywell BZ-2RS-A2.Kích thước: 25,4 mm H x 17,8 mm W x 50,8 mm L.Dòng tải cho phép: 15 A.Loại tiếp điểm: SPDT.Cơ cấu tác động: Loại Pittông.Chân cắm: Loại bắt vít.Nhiệt độ hoạt động: -55 °C to 85 °C [-67 °F to 185 °F].Điện áp hoạt động: 125Vac.Lực tác động:2,5 N to 3,61 N [9.0 oz to 13.0 oz].Lực hồi về: 1,11 N [4.0 oz] min.Độ dịch chuyển: 1,52 mm [0.060 in] min.Kích thước ốc lắp đặt: 3,53 mm [0.139 in].Trọng lượng:28,6 g [0.063 lb].2. Kích thước: Chọn các mã sản phẩm khác của Công tắc hành trình snap BZ
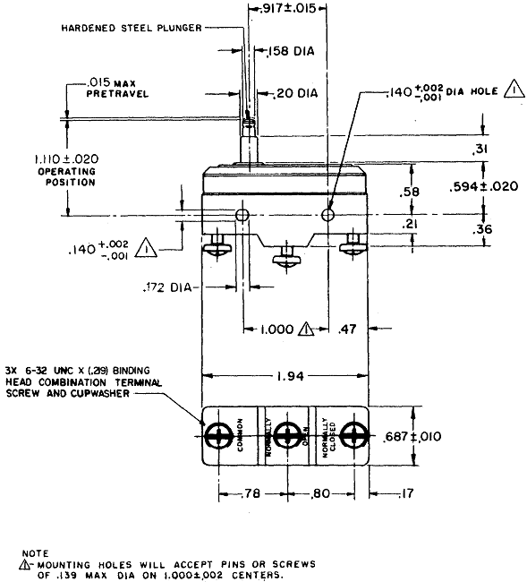
1.: Công tắc hành trình snap BZ-2RS-A2
-
Công tắc honeywell BZ-2RS-A2.
-
Kích thước: 25,4 mm H x 17,8 mm W x 50,8 mm L.
-
Dòng tải cho phép: 15 A.
-
Loại tiếp điểm: SPDT.
-
Cơ cấu tác động: Loại Pittông.
-
Chân cắm: Loại bắt vít.
-
Nhiệt độ hoạt động: -55 °C to 85 °C [-67 °F to 185 °F].
-
Điện áp hoạt động: 125Vac.
-
Lực tác động:2,5 N to 3,61 N [9.0 oz to 13.0 oz].
-
Lực hồi về: 1,11 N [4.0 oz] min.
-
Độ dịch chuyển: 1,52 mm [0.060 in] min.
-
Kích thước ốc lắp đặt: 3,53 mm [0.139 in].
-
Trọng lượng:28,6 g [0.063 lb].
2. Kích thước:

Chọn các mã sản phẩm khác của Công tắc hành trình snap BZ

